Рады, что вам понравилась статья 😊
Шрифты для чертежей по ГОСТу. Какие символы использовать для штампа, размерных чисел, основной части и других частей документа? Гостовские названия строительных и инженерных шрифтов для оформления студенческих чертежей.
Для студенческих работ в формате рисунков установлены четкие нормы и правила ГОСТа. Они придуманы для облегчения чтения и понимания документов. Главное, что нужно знать - это типы надписей и их масштабы для отдельных мест на рисунке.
ГОСТ 2.304.-81 «Шрифты чертежные» - это документ, в котором прописаны все необходимые требования к техническим документам международного формата. Они относятся и к строительным рисункам, и к прочим сферам промышленности. Критерии выбора: высота, ширина, угол наклона или его отсутствие, толщина.
В государственном стандарте описываются следующие аспекты:
Важно! При выборе всегда нужно опираться на тип документа и определенное место.
В нормативном акте прописаны четыре вида. У них есть подтипы, однако чаще всего они используются в чистом виде.
1. Тип А без наклона:
Пример:
2. Тип А с наклоном:
Пример:

3. Тип Б без наклона:
Пример:

4. Тип Б с наклоном:
Пример:
.jpg)
Совет! Чтобы быстро обучиться чертить правильные пропорции символов, можно использовать сетку с шагом, который будет равен толщине.
По ГОСТу указано множество допустимых размеров (высоты): 1,8; 2,5; 3,5; 5; 7; 10; 14; 20; 28; 40 мм. Выбор зависит от того, какие цели стоят перед исполнителем. Если масштаб проекта большой, а лист А1, стоит выбрать среднюю высоту линий (5 или 7). Также, для разных мест на рисунке выбирают различный масштаб. Например, комментарии разработчика пишут на 2,5 или 3,5. Но вот маленький (1,8) лучше не использовать, так как он слабо читается. В документациях прописано правило, которое запрещает писать с такой высотой проектам, созданными карандашом.
Заметка! Если необходимо использовать размер 1,8, стоит попробовать написать типом Б с или без наклона. Этот вариант позволяет сделать символы толще, из-за чего их лучше видно.
Основная надпись – это главный элемент любого документа. Она пишется самыми большими символами и включает в себя следующую информацию:
Центральная надпись должна находиться в углу листа, в правой части. Размеры (ширина и высота области) зависят от масштабов самого листа и проектной работы. Часто основная надпись располагается в рамках: 55*185 или 15*185.
Совет! Перед сдачей работу всегда складывают таким образом, чтобы главная надпись была видна, не разворачивая лист.
Штамп – это небольшая таблица, которую пишут в блоке основной надписи. Используется небольшая однородная подпись, чтобы все данные вместились и были читабельными. В таблицу штампа входит:
Рамка – это граница, которая выделяет сам рисунок от остального места на ватмане. По ГОСТу установлены четкие условия: 20 мм от левого края и по 5 мм от всех остальных краев. После этой рамки на лист наносят главную надпись и штамп по следующим требованиям:
Важно! Эти условия одинаковы для любого масштаба всех частей ватмана. Размер же таблицы может варьироваться в зависимости от того, сколько информации и какого объема нужно в нее вписать.
Каждая бумага должна подписываться исполнителями. Иногда на одном ватмане таких работ может быть несколько. Каждая из них должна иметь подпись и табличку штампа. В узловых подписях необходимо указывать масштаб. Символы должны быть такими же, как и на остальной части работы. Выбирается один из четырех вариантов. Если высота символов небольшая, используют тип Б без наклона.
Позиции – это элементы общей конструкции. Каждый из них должен иметь порядковое число с объяснением. Размер надписи зависит от того, какой был выбран тип для размерных чисел. Увеличивают на одну или две позиции среди общепринятых высот символов.
Пример: Если размерные числа имеют высоту 3,5 мм, то позиции стоит делать 5 или 7 мм. Не рекомендуется делать крупные или очень мелкие подписи, так как читать их будет неудобно.
Размерные числа указывают масштаб той или иной детали проекта. По ГОСТ нет четкого критерия размеров для этих надписей, но чаще всего используют 2,5 или 3,5 мм. 1,8 лучше не брать, он будет слишком мелким и может привести к ошибкам в расчетах.
В программах для создания документов есть уже готовые стандартные шаблоны. Для программы Автокад нужно совершить следующие действия:
Проще будет, если использовать сразу гостовскую символику. В Автокаде есть несколько встроенных вариантов. Как это сделать:
Далее его можно сделать базовым. Текст на цифровом документе будет сразу писаться по ГОСТу.
В Компасе есть два варианта гостовских размеров символов. Они подписаны как «GOST Type A» и «GOST Type B». Являются цифровым копией типа А и Б. Действия для того, чтобы выбрать один из них «по умолчанию»:
Word подходит для пояснительных записок к работам. Их также нужно оформлять в строгом соответствии с нормами ГОСТа. Чтобы установить нужный вариант подписи, придется найти среди вариантов и скачать. Называется так же, как и в Компасе – «GOST Type A» и «GOST Type B».
Совет! Если нужны символы с наклоном, можно использовать курсив. Его угол примерно 75°, что подходит под нормативы.
![]()
Понятие и принципы оформления осей на чертеже в соответствии с государственными стандартами: моменты, требующие внимания при изучении темы. Как поставить обозначения, чтобы при проведении проверки не возникало вопросов или недопонимания?
При составлении чертежа самостоятельно студент выполняет нестандартные обозначения на чертеж – осей координационного типа, который используются для определения точного расположения ключевых элементов продукции. Грамотность их нанесения влияет на качество производство и оценку предоставленного документа, а поэтому разберемся в установленных требованиях.
Это линии, при использовании которых производится определение точного расположения конструкций несущего типа, например, колонн или перекрытий. В зависимости от установленных обозначений осуществляется разбивка строения на выбранной местности.
При составлении любой работы следует ориентироваться на государственный стандарт номер Р 21.101-2020. Именно в нем зафиксированы ключевые требования при составлении строительной документации, обязательные к соблюдению. Если обучающийся не уделит время изучению прописанных требований – присутствует вероятность получения неудовлетворительной оценки.
Важно: Для каждого строения обязательно обозначаются координатные оси, так как именно на их основании производится оценка расположение и определяется точное размещение относительно иных строений.
В зависимости от установленных пролетов между обозначениями можно будет получить примерную информацию о том, какой именно тип конструкции применяется для реализации перекрытий.
Каждая строительная система имеет свои нормы и ограничения.
Ранее было сказано, что для выделения на чертеже используется прерывистая линия, которая проходит от начала до конца объекта. На конце требуется произвести формирование круга, диаметр которого должен соответствовать показателям масштаба.
Во внутренней части отрисованного круга указывается обозначение оси при использовании арабских цифр, а также прописных букв.
В государственном стандарте зафиксировано, что используются все буквы русского алфавита при составлении документа для полноты обозначений.
На представленном изображении отображено правильное нанесение в соответствии с ГОСТом, изучаемым во всех образовательных организациях.
Они отображены на представленном изображении для простоты понимания. применяются для разделения предмета при составлении чертежа для лучшего понимания.
Важно: Пропуск письменных или буквенных обозначений в документации – недопустимо, так как это может привести к серьезным ошибкам, выявляющимся непосредственно при строительстве.
Разделение должно выполняться чтобы в результате образовывались две полностью равные между собой части – только если образуется ось симметрии.
Если принято решение ее использовать при составлении работы, помните, что для обозначения используется прерывистая линия, толщина которой должна равняться ½ от основной.
Дополнительная информация! Эта вариация не имеет серьезных ограничений, как координатная.
![]()
Это прямая, относительно ей осуществляется вращение реализуемой продукции. Считается неподвижной, а все точки, расположенные вокруг, в результате вращения образуют круг.
Важно: Все элементы располагаются так, как они должны быть представлены и в моменте реализации процесса. Иные варианты – недопустимы.
Распространенная вариация системы обозначений – прямоугольная, предполагающая возможность простого ориентирования в плоскостях двухмерного типа. За счет ее использования удается придерживаться заданных масштабов без появления сложностей в детализации.
Все зависит от привязки к линиям. Все применяемые отметки в конечном счете должны соответствовать друг другу, а также обозначаться в цифровом или буквенном варианте. При разрезе видны лишь линии одной из плоскостей.
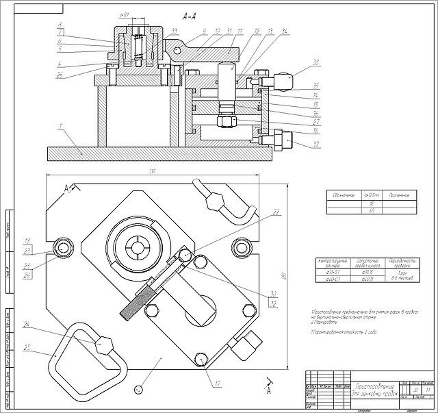
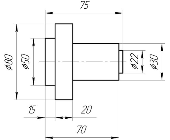
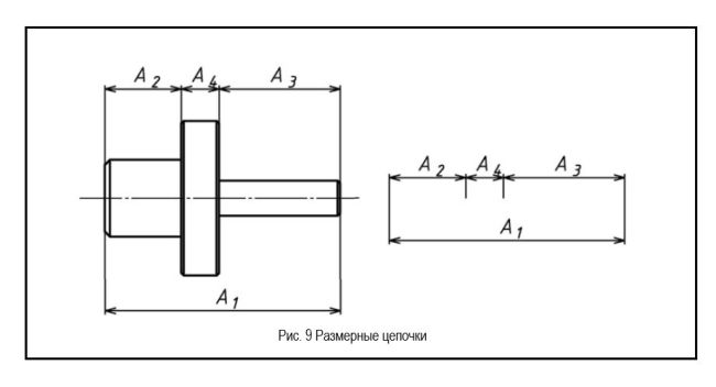
Размерные цепочки – это совокупность размеров, связанных между собой, которые в результате образуют контур замкнутого типа, а также используются для определения взаимного положения элементов.
При составлении обозначаются 2 цепочки – верхнего и нижнего типа.
Верхняя содержит точные показатели размеров относительно соседних осей, нижняя – относительно крайних. Подобные сведения позволяют быстро определить размеры.
При соединении резьбового типа принято производить отображение. Она не имеет наличие дополнительных элементов, а обозначение осуществляется при использовании штрихпуктира.
При использовании программы выполнение задания станет значительно проще. Чтобы произвести выравнивание в Автокад, необходимо будет перейти в раздел редактирования, при этом предварительно выбрав элемент, которые требуется выровнять. Выбирается точка, относительно которой перемещается элемент, а также целевая точка, на которую будет произведено перенесение. Дополнительно проводится масштабирование.
Расположение предмета, а также каждого отдельного компоненте, их соотношение между собой, зависит от привязки. При этом определяется размер. Они при осуществлении размера должны соответственно равняться. Обозначаются буквами или цифрами.
При разрезе становятся видны оси лишь одной плоскости.
При составлении работы студент или любой иной человек обязан следовать установленным в государственных стандартах рекомендациям. Только в таком случае итоговый результат будет признан правильным.
![]()
Какие варианты обозначений используются при составлении чертежей строительного, топографического и электронного типа. Какие условные обозначения применяются при составлении общетехнической, машиностроительной документации? Моменты, на которые стоит обратить внимание перед оформлением заказа.
Ключевая сложность в самостоятельном составлении чертежей заключается в том, что требуется производить оформление каждого элемента в соответствии с установленными государственными нормами. Иначе работа может быть не принята научным руководителем или же реализатором проекта.
Перед составлением бумаги требуется ознакомиться с принятыми обозначениями, которые используются в большинстве работ.
Тут все зависит от задания. Обозначения:
Важно: Все обозначения расшифровываются или в специально отведенном месте, или на пустом пространстве. Человек придерживается общепринятых норм обозначения.
Обозначения нужны для понимания и разбора предоставленного документа. Они помогают быстро сориентироваться в показателях, разобрать все сведения на основании схемы, а не многочисленных подписей, названий, которые перегружают изображение. В результате на изучение конструкции или товара требуется меньше времени, так как понимание не затрудняется – проверяющий сразу понимает, что изображено, какие параметры отмечены и прочее. И сразу видит, требуется ли внесение корректировок.
Использование графических отображений – это вариант визуальной коммуникации создателя и проверяющего. Чтение должно получиться однозначным, простым, и в случае, если все работы были проведены верно – иных вариантов понимания работы, за исключением правильного – быть не может.
Дополнительная информация! Отображение объектов трехмерной вариации на плоскости практикуется уже несколько сотен лет. Однако правила, дополнения стандартов, направленные на упрощение создания работы, появились относительно недавно.
Вариантов несколько:
Совет: Использовать интернет-источники стоит лишь в крайней мере, с учетом возможного наличия ошибок, недочетов.
Для удобства понимания графическая документация разделена на ключевые разделы, в которых установлены индивидуальные списки используемых обозначений:
Предполагается отображение следующих элементов на документе:
Важно: В каждом направлении присутствует принятые условные обозначения, которое рекомендуется предварительно изучить, и затем приступать к составлению работы. Иначе может потребовать доработка после проведения проверки. В работе есть допуски, устанавливающие допустимое отклонение от прописанных норм без потери первоначальных характеристик продукции.

В строительном направлении обозначений много, а потому рекомендуется осуществить предварительное изучение государственного стандарта номер 21.201-2011.
Главными моментами в стандарте являются:
Важно: Отсутствие обозначение сделает чертеж неверным, следовательно, его нельзя будет использовать в строительном направлении, так как в нем требуется точность, четкость сведений.
Составление топографических карт – сложный процесс из-за огромного количества объектов, переносимых на них. При составлении учитываются методические указания и установленные стандарты, так как инае работа будет недостоверной или неверной.
Так, указываются места государственной геодезической сети. К счастью, на территории страны используется единая система координат.
Строения и их части отображаются с указанием информации о материалах, этажности, сфере назначения, точного размещения.
Инженерные системы отмечаются преимущественно в населенных пунктах, а на дорогах используются многочисленные условные знаки.
При составлении электрических схем используются графические и буквенные отметки, при использовании которых мастер ориентируется в правилах прокладки системы, требованиях. Итак, графическими элементами являются:

А среди буквенных чаще применяются:
![]()